产品功能说明
1.主界面说明
2.按键说明

3.功能说明
坐标采集用于采集和记录坐标信息,每按一次【OK】采集一次GPS定位数据,最多可以采集200次,采集完成后站点也实时进行更新。
线路选择用于切换不同线路,选择车辆对应的路线。
系统设置可进行内外音量、喊话音量、英文播报、方言播报、外音播报、超速播报、出站播报、ACC 检测、线路属性、角度判断等设置。
网络设置可设置网络IP 地址、设备ID、服务器IP。
基本操作
1.手动播报
进站后按下【报站】键会播报当前显示站点对应的进站语音,出站时再次按下【报站】键会播报当前显示站点对应的出站语音并自动跳至下一站。若站点播报与实际站点信息不符,可以按上下键来进行相应的调整以达到播报信息准确。
按下【重复】键可以重复播报上一条语音,到达终点站后可以按下【切换】键即可切换上下行。若有需要可以按下相应的数字键来播报当前所配备的对应的服务用语,若要停止当前播报,按下【停止】键即可。
2.GPS自动报站
GPS 自动报站无需切换线路,选择对应的线路后,若采集的站点坐标准确,汽车到站后报站器就会自动播报相应的站点语音,若显示站点与实际站点有偏差或者中途误操作,报站器都能够根据前后站点的比较,更新正确的站点信息。自动报站的同时相应键位的功能与手动播报时相同。
3.播放服务音
报站器设置可播放 10 条服务音,通过选择面板右侧的 0~9 数字键,即可实现播放配置文件中对应的服务语音。
菜单设置
按下四个方向键中间的方形【OK】键,输入密码 888888 再按下【OK】键即可进入主菜单界面。
1.报站设置及音量设置
进入菜单界面后,选择系统设置选项,按下【OK】键。
定义:
1.对报站器播放音量调节,调节范围 0 - 32 有效。
2.还可根据需要对方言播报,外音播报等选项进行设置,超速提醒播报和出站播报进行设定。
3.线路属性:有 3 种线路属性可供选择。即上下行线路、环形线路和对开线路。
定义操作:
1.若要调节音量大小,按方向键将光标移至内音音量和外音音量处,按下【停止】键对数字的清除,之后通过数字键进行音量调节。
2.方言播报,外音播报和ACC 检测等按下【切换】即可对其进行切换设置。
3.超速设置,按方向键将光标移至超速设置,按下【停止】键对数字的清除,之后通过数字键进行超速设置。
各项设置完成并确定以后,选择保存,按下【OK】键即设置成功,若要退出按【退出】键即可。
2.线路选择
在主菜单界面选择线路选择项并按下【OK】键即可进入线路选择界面。
进入线路选择界面后根据需要把光标移至所需选择的线路并按下【OK】键即可对线路进行切换。
3.经纬度采集
1、采集经纬度之前先连接上 GPS 天线,开机后等待一段时间设备自动搜寻 GPS 信号(第一次搜寻信号需要的时间较长,大约需要 1 分钟,首次定位以后下次开机就能够很快的找到 GPS 信号),GPS 定位成功后对应的主界面GPS 会显示“已连接”。
2、定位成功后在主菜单界面选择坐标采集项并按【OK】键进入坐标采集菜单,会出现如下界面:
3、移动上下键,到达相应站点后按下【OK】键即可采集对应站点信息并自动保存到相应的表格,光标会自动跳至下一站点,若采集过程中发现错误可以将光标移至对应的编号再次采集覆盖原有经纬度。采集完成后按下【停止】键可以返回上一个菜单。
4、线路采集完成选择线路查看可以看到相应的经纬度信息。
4.网络设置
在主菜单界面选择网络设置项并按下【OK】键即可进入网络设置界面。
通过移动上下左右键来选择对应的操作。可更改服务器 IP、端口号、设备 ID、公司 ID 等一系列操作,修改完成后按【OK】键保存,【停止】键退出。
文件编辑规则
1.文件的导入、导出
按下设备上的【左】键按钮,即可进入快捷操作界面。然后移动上下键来选择相应的操作。
导入 SD 卡文件:将事先准备好文件的 SD 卡插入VHx70中,按下【OK】键进行导入文件。设备自动拷贝文件,完成后自动重启。等待屏幕恢复正常系统界面即导入作业完成。
导出文件到 SD 卡/U 盘:按下【OK】键进行导出文件,此时把设备中根目录下文件导入 到 SD 卡或 U 盘。文件包括:采集的坐标点、线路名、mp3 文件以及一些配置文件。当显示导 出成功即可拔出 SD 卡或 U 盘。完成导出文件操作。
2.主要文件夹分类说明
以下为设备文件框架,所有文件都只能建立在该目录框架内,文件内容自行编排。每个目录下都有若干文件,文件格式主要分为.csv 和mp3。它们按照一级到五级依次存放,以下为设备目录下的主要文件:
对上述文件具体说明:
mp3:目录用来存放所有需要播报的语音文件,设备播报时会以配置的语音名称及顺序来播报mp3 里的语音文件。
system:目录存放有三个配置文件
audiolist.csv:用来自行编排语音播报顺序及内容,方便客户定制化播报。如下所示,应用中可根据客户需求来编排各个地方的语音播报顺序,其中有一个特殊内容为变量内容,根据线路即站点内容来变化:
- 线路名称:当前运行的线路的名称的mp3 文件
- 起点站:当前线路方向上的起点站
- 终点站:当前线路方向上的终点站
- 途径站:当前线路方向上需要播报的途经站(线路表格里将站点属性设置为大站即会播报途径站)
- 下一站:行驶过程中的下一站点的站点名
- 本站:当前站的站点名
- 进站扩展:线路表格里配置的进站扩展语音名
- 出站扩展:线路表格里配置的出站扩展语音名
- 进站提示:线路表格里配置的进站提示语音名
- 出站提示:线路表格里配置的出站提示语音名
- 进站广告:线路表格里配置的进站广告语音名
- 出站广告:线路表格里配置的出站广告语音名
其他内容均为对应mp3 文件夹下面的语音文件名称,固定播报,根据实际需要自行组合即可。
option.bin:系统配置文件,可通过导入该配置文件来批量更改系统常规配置,平常导入文件不要放置该文件在 U 盘或SD 卡里面,以免导入后更改了之前的配置。
事件消息.csv:用来配置上传到平台的事件事项
bus 目录有线路信息文件,线路配置文件和场站信息三种文件,如下:
线路信息文件有上行线路和下行线路两个文件
116文件夹包含文件如下图:
以line.csv 里的线路名称命名的文件夹,里面放着该线路的上行及下行文件的表格如下图:
- 站台编号:从 0 开始自增,范围 0-200
- 报站语音:线路上的站点语音名
- 站名:线路上站点名
- 经度、纬度和角度三项由GPS 采集坐标后自动填写
还有对一条线路的添加或修改(见 5.4.1 新增一条线路)
line.csv为该设备需要承载的线路配置信息
- 编号:需要从 0 开始按顺序自增
- 系统编号:对应系统设定的该线路对应的编号,需全为数字组成
- 线路名称:为需要显示到设备及路牌上的名称,10 个字符以内,汉字字母数字均可
- 当前线路:填写当前线路对应的属性目前有三种:上下行、环线和对开
- 上下行线路:该属性为比较普遍的来回开的线路,设备运行时会根据角度及坐标来校准设备当前行驶方向,到终点后会自动切换上下行。
- 环线线路:该属性为类似画圈的线路,起点终点都在同一个地点,车辆会一直以一个正向或反向的方向行驶,不分上下或下行,上报到平台的行驶方向一直是上行。
- 对开线路:该属性为环线的一种,但是车辆会正向或反向行驶,设备根据平台指令或司机操作来保持上行和下行的行驶,到终点站不会自动切换上下行,上报到平台的行驶方向为当前切换到的方向。
- 起点场站编号、终点场站编号填写改线路的发车场站以及终点到达场站,设备根据该编号来查询station 表格取得坐标用来判断设备进出场状态,并上报到平台以完成流水。
station.csv为场站信息
- 序号:需要从 0 开始按顺序自增
- 场站编号:平台对应的场站对应的场站编号
- 场站名称:该场站的场站名称
- 经度、纬度车辆中途休息停车点的场站坐标,坐标格式需要设备的度分分格式。场站范围以坐标点为中心,范围值为半径,进入范围为进场站,离开范围为出场站。
3.语音文件的播放顺序编排
设备中语音播放顺序列表(audiolist.csv)是一个比较实用且易用的设计,VHx70 的用户 可以通过对这个表格文件的修改来改变报站语音的播放顺序。
VHx70 语音的播放顺序,条理性更加清晰,操作更加方便,将给客户带来更加灵活的使用 方法,用户体验得到了很大的提升。通过表格我们可以更加清晰地了解语音播放的顺序及分类, 要添加或是修改播报内容,只需要在 mp3 目录下找到对应的语音文件将它替换掉,再把替换过 的文件用 U 盘拷到 VHx70 设备就完成操作了。
必须注意的一点是,一条完整的语音最多不得超过十五条语音内容。
说明:
- 起点播报:车辆从线路的起点时播报,播报的顺序从内容 1 到内容 12 依次播放每一条语音
- 终点播报:车辆在线路的终点时播报,播报的顺序从内容 1 到内容 7 依次播放每一条语音
- 终点预报:车辆在驶入终点站前时播报,播报的顺序从内容 1 到内容 7 依次播放每一条语音
- 进站播报:每次车辆进站时播报,播报的顺序从内容 1 到内容 6 依次播放每一条语音
- 出站播报:每次车辆出站时播报,播报的顺序从内容 1 到内容 7 依次播放每一条语音
- 进站外音:为了让车外的旅客能听到播报声音,会在进站时播报,播报的顺序从内容 1 到内容 5 依次播放每一条语音
- 出站外音:播报选择为否,所以无法播报
3.1、新增线路
添加一条线路:102
在bus 目录下新建文夹命名为“102”,再在 102 文件下新建“102S.csv”和“102X.csv” 两个文件,编辑“102S.csv”和“102X.csv”两个表格。
站点编号下从 0 开始,一条线路最多可存入 200 个站点,并依此填写对应的站点。报站语音栏填写站点对应的语音文件名,且要与对应语音文件同名。经度、纬度和角度由GPS 模块采集坐标后自动填写。如需要添加进站语音文件和扩展语音文件,可以在进站语音栏和扩展语音栏下编写相应的语音名。是否大站栏下面输入是或否就能设定线路中的大站,大站会在起点站语音中播报。在外音栏下设置是否开外音。
把本站的线路名音频(102.mp3)放到 mp3 目录下。打开 bus 下的“line.csv”文档, 在其中添加编号,获取场站编号与场站名称。在经度、纬度栏下添加车辆中途休息停车点的场站坐标,坐标格式需要设备的度分分格式。场站范围以坐标点为中心,范围值为半径,进入范围为进场站,离开范围为出场站。这样就完成了对一个线路的添加。
3.2、新增广告播报
添加一条广告:新力啤酒.mp3
准备好一个“新力啤酒.mp3”的广告音频文件,在mp3 目录下添加“新力啤酒.mp3”文件。打开 102 文件夹下的“102S.csv”和“102X.csv”文档,在进站广告和出站广告栏下添加“新力啤酒”,且要与对应语音文件同名。在 syetem 目录下“audiolist.csv”文件将需要更换的内容给替换成“进站广告或出站广告”。
3.3、新增提示语播报
添加一条提示语音:提示.mp3
准备好一个“提示.mp3”的提示语音文件,在MP3 文件下添加“提示.mp3”文件。打开102 文件夹下的“102S.csv”和“102X.csv”文档,在进站提示和出站提示语音栏下添加“提示”,且要与对应语音文件同名。在 syetem 目录下“audiolist.csv”文件将需要更换的内容给替换成“进站提示或出站提示”。
3.4、新增扩展语播报
添加一条扩展语音:扩展.mp3
准备好一个“扩展.mp3”的扩展语音文件,在MP3 文件下添加“扩展.mp3”文件。打开102 文件夹下的“102S.csv”和“102X.csv”文档,在出站扩展语音栏下添加“出站扩展”, 且要与对应语音文件同名。在 syetem 目录下“audiolist.csv”文件将需要更换的内容给替换成“进站扩展或出站扩展”。
报站器应用升级
U 盘升级:把要升级的应用程序(vh70-01)放到 U 盘的 /media 目录下,再把 U 盘插到 报站器的 USB 口,重新开机,10S 钟左右升级完成,设备显示主界面,拔出 U 盘,升级操作完 成。
SD 卡升级:把要升级的应用程序(vh70-01)放到 SD 卡的 /media 目录下,再把 SD 卡 插到报站器的 SD 口,开机后在主界面按【左】键进入菜单选择”SD 卡导入”,升级完成后自 动开机完成拷贝。
升级完成后查看版本号前后是否有变化。
U 盘或 SD 卡文件系统格式为 FAT 或 FAT32。
安装结构
1.正面结构
2.背面结构
接线说明
1.电源线


接线说明:
红色线接电源正极;黑色线接电源负极;
绿色接上喇叭为内音(左声道);蓝色接上喇叭为外音(右声道)。
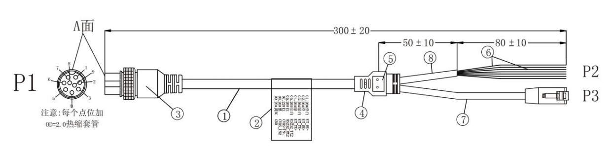
2. 10芯航空公头网络通讯线接口定义

3. 9芯航空公头网络通讯线接口定义


安装注意事项
- 安装在平面上的设备应与其它物体保持一定距离,以利于冷空气的流通和散热;
- 清洁系统的表面时请使用电子设备允许的清洁剂,请勿使用化学溶剂或家用清洁剂;
- 若长期不使用机器,最好完全断开的电源以延长使用寿命;
- GPS 天线和通讯天线必须摆放在开阔无遮挡的地方,推荐安装在仪表盘上方,即前挡风玻璃左下方。
当选择安装场所遇到以下情况时要预先讨论:
- 电路:只能连接合适的电源,并确保到车辆的地线正确;
- 湿度:避免系统的各部分与潮湿的环境接触;
- 通风:提供足够的通风空间以冷却空气,并确保系统在工作温度范围内工作;
- 震动:有必要的话,可以附加另外的减震装置来避免剧烈震动造成的损坏;
- 线材:安装时安装设备处的线材要有足够的间隔,以确保线材不被弯曲或由于震动而漏电;
- 通道:确保乘客或司机不能干预和损坏系统部件、线材和其它附件,不要把系统安装在靠近其它受限制的车辆组件的地方;
- 损坏:安装系统和线材时,要确保所有的运输过程中都能避免乘客突然碰到安装的设备及线材而损坏系统;